Техническое описание
Условия применения
Габаритные и присоединительные размеры
Монтажное исполнение
Технические характеристики
Паспорт
Техническое описание 1МЦ2С-63, 1МЦ2С-80, 1МЦ2С-100, 1МЦ2С-125
Редукторы серии 1МЦ2С являются самыми распространенными среди цилиндрических редукторов выпускаемых промышленностью России. За долгие годы эти редукторы зарекомендовали себя как надежные устройства. Редукторы серии 1МЦ2С имеют четыре типоразмера 1МЦ2С-63, 1МЦ2С-80, 1МЦ2С-100, 1МЦ2С-125. Каждый типоразмер имеет два варианта крепления – на лапах G110 и на фланце G310. Редукторы в базовой комплектации имеют конический вал, возможна установка цилиндрического вала, что оговаривается при заказе.
УСЛОВИЯ ПРИМЕНЕНИЯ РЕДУКТОРОВ
- Нагрузка равномерная либо с периодическими изменениями не превышающая максимально допустимый момент
- Вращение выходного вала в обе стороны без потери момента
- Климатические условия соответствуют стандартам У2, У3, Т2
- Время работы редуктора до 24 часов в сутки при условии соблюдения температурных режимов
- Заявленные характеристики соответствуют режиму работы до 1000 метров над уровнем моря.

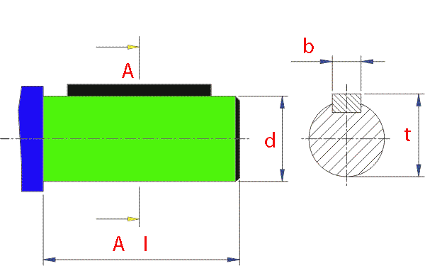
Габаритные и присоединительные размеры 1МЦ2С-63, 1МЦ2С-80, 1МЦ2С-100, 1МЦ2С-125


Тип мотор-редуктора |
Частота вращения вых. вала, об/мин |
L |
B |
H |
l |
l1 |
l2 |
l3 |
l4 |
b |
b1 |
b2 |
d |
d1
4 отв |
h |
h1 |
t |
не более |
1МЦ2С-63Н |
28...71 |
465 |
200 |
265 |
60 |
48 |
110 |
15 |
160 |
8 |
185 |
150 |
28k6 |
12 |
140 |
16 |
31 |
90 |
490 |
200 |
265 |
112...180 |
515 |
250 |
275 |
1МЦ2С-80Н |
28; 35,5; 45; 56 |
547 |
200 |
305 |
80 |
75 |
115 |
20 |
175 |
10 |
220 |
180 |
35k6 |
15 |
170 |
18 |
38 |
71...160 |
601 |
250 |
317 |
1МЦ2С-100Н |
28...90 |
675 |
260 |
377 |
110 |
102 |
130 |
20 |
195 |
14 |
255 |
210 |
45k6 |
15 |
212 |
22 |
48,5 |
Монтажное исполнение 1МЦ2С-63, 1МЦ2С-80, 1МЦ2С-100, 1МЦ2С-125

Технические характеристики
Тип мотор-редуктора |
Выходная скорость об/мин |
Номинальный крутящий момент на выходном валу, Нм |
Масса, кг |
Электродвигатель |
Тип |
Мощность, кВт |
1МЦ2С-63Н |
28 |
112 |
27 |
АИР71А6 |
0,37 |
160 |
АИР71В6 |
0,55 |
35,5 |
140 |
170 |
29 |
АИР80А6 |
0,75 |
45 |
106 |
27 |
АИР71В4 |
0,55 |
140 |
29 |
АИР80В4 |
0,75 |
56 |
132 |
27 |
АИР71В4 |
0,75 |
170 |
30 |
АИР80А4 |
1,1 |
71 |
100 |
27 |
АИР71В4 |
0,75 |
140 |
30 |
АИР80А4 |
1,1 |
90 |
118 |
150 |
32 |
АИР80В4 |
1,5 |
112 |
118 |
170 |
38 |
АИР90L4 |
2,2 |
140 |
95 |
32 |
АИР80В4 |
1,5 |
140 |
33 |
АИР90L4 |
2,2 |
180 |
80 |
32 |
АИР80В4 |
1,5 |
112 |
38 |
АИР90L4 |
2,2 |
1МЦ2С-80Н |
28 |
236 |
37 |
АИР80А6 |
0,75 |
335 |
41 |
АИР80В6 |
1,1 |
35,5 |
180 |
37 |
АИР80А6 |
0,75 |
265 |
41 |
АИР80В6 |
1,1 |
45 |
224 |
300 |
45 |
АИР90L6 |
1,5 |
56 |
250 |
41 |
АИР80Â4 |
1,5 |
355 |
46 |
АИР90L4 |
2,2 |
71 |
280 |
355 |
51 |
АИР100S4 |
3,0 |
90 |
236 |
46 |
АИР90L4 |
2,2 |
335 |
51 |
АИР100S4 |
3,0 |
112 |
180 |
46 |
АИР90L4 |
2,2 |
236 |
51 |
АИР100S4 |
3,0 |
315 |
57 |
АИР100L4 |
4,0 |
140 |
200 |
51 |
АИР100S4 |
3,0 |
265 |
57 |
АИР100L4 |
4,0 |
180 |
160 |
51 |
АИР100L4 |
3,0 |
212 |
57 |
АИР100L4 |
4,0 |
1МЦ2С-100Н |
28 |
522 |
70 |
АИР100L8СВ |
1,5 |
35,5 |
550 |
77 |
АИР100L6СВ |
2,2 |
45 |
455 |
74 |
АИР100L6СВ |
2,2 |
56 |
514 |
73 |
АИР100S4СВ |
3,0 |
71 |
553 |
80 |
АИР100L4СВ |
4,0 |
90 |
422 |
80 |
АИР100L4 |
4,0 |
Внимание антикризисная программа!!! Снижение цен на мотор-редукторы 1МЦ2С-63, 1МЦ2С-80, 1МЦ2С-100, 1МЦ2С-125. Редукторы уже в наличии на складе в Астрахани. Вся продукция подлежит обязательной сертификации. Гарантия на редукторы 1МЦ2С-63, 1МЦ2С-80, 1МЦ2С-100, 1МЦ2С-125 один год. Доставку берем на себя. Также мы можем отправить мотор-редукторы в любой регион России.
Двухступенчатые цилиндрические редукторы 1Ц2У-100, 1Ц2У-125, 1Ц2У-160, 1Ц2У-200, 1Ц2У-250
Одноступенчатые цилиндрические редукторы серии ЦУ-100, ЦУ-160, ЦУ-200, ЦУ-250
Двухступенчатые цилиндрические редукторы серии 1Ц2У-315Н, 1Ц2У-355Н, 1Ц2У-400Н, 1Ц2Н-450, 1Ц2Н-500
Трехступенчатые цилиндрические редукторы ЦЗУ-160, ЦЗУ-200, ЦЗУ-250
Одноступенчатые червячные редукторы серии 1Ч-63А
Одноступенчатые червячные редукторы Ч-100, Ч-125, Ч-160
Одноступенчатые червячные редукторы 1Ч-160
Двухступенчатые редукторы Ч2-160
Редукторы червячные одноступенчатые 4Ч-80
Одноступенчатые червячные редукторы Ч-80
Одноступенчатые червячные редукторы 2Ч-40, 2Ч-63, 2Ч-80
Цилиндрические соосные мотор-редукторы MTC A
Цилиндрические соосные мотор-редукторы R (RF)
Двухступенчатые мотор-редукторы 4МЦ2С, 4МЦ2С-63, 4МЦ2С-80, 4МЦ2С-100, 4МЦ2С-125
Цилиндрические мотор-редукторы 1МЦ2С, 1МЦ2С-63, 1МЦ2С-80, 1МЦ2С-100, 1МЦ2С-125
Цилиндрические плоские мотор-редукторы серии F
Мотор-редукторы планетарные тип: 3МП-31,5; 3МП-40; 3МП-50; 3МП-63; 3МП-80; 3МП-100; 3МП-125
Мотор-редукторы планетарные двухступенчатые МПО2М-10, МПО2М-15
Мотор-редукторы планетарные одноступенчатые типа МПО1М-10
Мотор-редукторы планетарные МРВ-02 и МРВ-04
Волновые мотор-редукторы ЗМВз
Цилиндро-конические мотор-редукторы K
|