|

Цилиндрические соосные мотор-редукторы VARVEL (Варвел) серии MRD 02, MRD 12, MRD 22, MRD 32, MRD 42, MRD 52, MRD 62, MRD 03, MRD 13, MRD 23, MRD 33, MRD 43, MRD 53, MRD 63: характеристики, устройство, принцип работы, цена |
|
Цилиндрические мотор-редукторы Varvel MRD предназначены для понижения скорости и увеличения крутящего момента. Серия состоит из семи типоразмеров, каждая из которых имеет широкий ряд передаточных отношений. Мотор-редукторы комплектуются электродвигателями от 0,06 до 7,5 кВт. Для удобства монтажа используются лапы на основании корпуса или съемный опорный фланец. Корпус редуктора литой, изготовлен из сплава алюминия. Конструкция зубчатых пар имеет одну две или три ступени. Высокое качество обработки зубчатых пар исключает посторонние шумы во время работы, а надежные материалы гарантируют работоспособность редуктора на долгие годы.
На мотор-редукторы MRD могут устанавливаться электродвигатели с тормозом и двигатели во взрывозащищенном исполнении.
Передаточные отношения 2,5 - 630
Обороты тихоходного вала 2 - 1100 об/мин
Крутящий момент 10 - 2300 Нм
Мощность электродвигателя 0,06 - 7,5 кВт |
|
Серия имеет следующие типоразмеры:
MRD 02, MRD 12, MRD 22, MRD 32, MRD 42, MRD 52, MRD 62, MRD 03, MRD 13, MRD 23, MRD 33, MRD 43, MRD 53, MRD 63

Система обозначения червячных мотор-редукторов серии MRD
MRD 43 / В5 Н 250 IEC80-B14 (П19/120) AU35 DFU300 //0,55/4-19/120/000/IM3681 -IP54/F/220/380/50/Y3/S1 -Т/10/АС/220/380-К2
MRD - Тип мотор-редуктора;
43 - Типоразмер (4 - габарит, 3 - число ступеней);
В5 - Вариант исполнения (B3 - лапный,В5 - фланцевый);
H - Монтажное положение (H - горизонтальный, V - вертикальный);
250 - Номинальное передаточное отношение;
IEC80 - Типоразмер для присоединения электродвигателя;
В14(П19/120) - Исполнение входного фланца редуктора (B5,B14). П19 - полый вал диаметром 19 мм; 120 - входной фланец диаметром 120 мм;
AU35 - Диаметр выходного вала;
DFU300 - Диаметр выходного фланца;
0,55 - мощность электродвигателя в кВт.
4 - количество полюсов.
19 - диаметр вала электродвигателя в мм.
120 - наружный диаметр фланца электродвигателя в мм.
000 - высота от лап до оси (только для лапного исполнения, для фланцевого исполнения ставится 000).
1М:3681 - конструктивное исполнение по способу монтажа (ГОСТ 2479)
IP:54 — исполнение по степени защиты.
F- класс изоляции
220/380/50 - напряжение питания электродвигателя и частота питающего тока (возможны варианты 230/400/50, 400/690/50, 380/660/50, 275/480/60, 480/830/60)
УЗ - климатическое исполнение S1 - режим работы Т-тормоз
10 - тормозной момент в Нм
АС - тип питания тормоза(переменное)
220/380 - напряжение (В) питания электротормоза К2 - положение клеммной коробки. |
Типоразмер |
M max, Нм |
D - выходного вала,
мм |
MRD 02 |
89 |
17 (20) |
MRD 12 |
440 |
30 (25) |
MRD 22 |
440 |
25 (30) |
MRD 32 |
560 |
30 (35) |
MRD 42 |
760 |
35 (40) |
MRD 52 |
1520 |
40 (50) |
MRD 62 |
2900 |
50 (60) |
MRD 03 |
89 |
17 (20) |
MRD 13 |
440 |
30 (25) |
MRD 23 |
440 |
25 (30) |
MRD 33 |
560 |
30 (35) |
MRD 43 |
760 |
35 (40) |
MRD 53 |
1520 |
40 (50) |
MRD 63 |
2900 |
50 (60) |
|
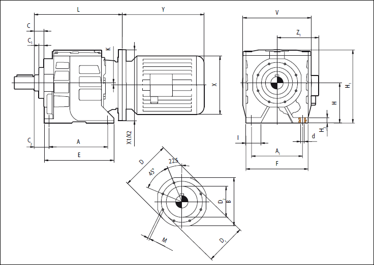
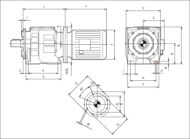
Габаритные и присоединительные размеры
Размеры выходного вала
Размеры выходного вала
Монтажные положения
Паспорт
Выходные обороты и мощность электродвигателей (кВт)

- A - моторный фланец стандарт IEC
- B - зубчатые пары первой ступени T1, T2, T3
- C - цилиндрические передачи второй и третей передачи (T4, T5) заключенные в монолитный корпус редуктора
- D - cъемный опорный фланец

MRD |
02/03 |
02/03 |
02/03 |
02 |
12/13 |
12/13 |
12/13 |
12 |
12 |
IEC |
56 |
63 |
71 |
80 |
56 |
63 |
71 |
80 |
90 S/L |
X |
110 |
123 |
140 |
159 |
110 |
123 |
140 |
159 |
176 |
X1(B5) |
120 |
140 |
160 |
- |
120 |
140 |
160 |
200 |
200 |
X2(B14) |
80 |
90 |
105 |
120 |
- |
90 |
105 |
120 |
140 |
Y |
168 |
185 |
220 |
238 |
168 |
185 |
220 |
238 |
255/280 |
Z1 |
108 |
110 |
121 |
138 |
108 |
110 |
121 |
138 |
149 |
L |
140/143 |
140 |
151/161 |
151 |
C |
13 |
10 |
C1 |
9 |
K |
4.5 |
5 |
C2 |
20 |
18 |
A |
95 |
110 |
E |
115 |
132 |
V |
100 |
140 |
I |
23 |
38 |
A1 |
80 |
110 |
F |
96 |
135 |
d |
Ø9 |
H |
60 |
75 |
H1 |
111 |
131 |
H2 |
6.5 |
8 |
D |
84 |
M |
M6x14 (7) |
B |
82 |
D1 |
Ø75 |
Назад
MRD |
23 |
22/23 |
22/23 |
22/23 |
22 |
22 |
32/33 |
32/33 |
32/33 |
IEC |
63 |
71 |
80 |
90 S/L |
100 |
112 |
71 |
80 |
90S/L |
X |
123 |
140 |
159 |
176 |
195 |
219 |
140 |
159 |
176 |
X1(B5) |
140 |
160 |
200 |
200 |
250 |
250 |
160 |
200 |
200 |
X2(B14) |
- |
105 |
120 |
140 |
160 |
160 |
105 |
120 |
140 |
Y |
185 |
220 |
238 |
255/280 |
314 |
328 |
220 |
238 |
255/280 |
Z1 |
110 |
121 |
138 |
149 |
160 |
172 |
121 |
138 |
149 |
L |
208 |
190/208 |
190 |
220/253 |
C |
13 |
C1 |
11 |
K |
6 |
8.5 |
C2 |
25 |
30 |
A |
130 |
165 |
E |
153 |
195 |
V |
155 |
190 |
I |
37 |
44 |
A1 |
110 |
135 |
F |
140 |
173 |
d |
Ø9 |
Ø11.5 |
H |
90 |
115 |
H1 |
158 |
198 |
H2 |
10 |
14 |
D |
108 |
130 |
M |
M6x10 (8) |
M8x18 (8) |
В |
102 |
125 |
D1 |
Ø95 |
Ø115 |
Назад
MRD |
32 |
32 |
43 |
42/43 |
42/43 |
42/43 |
42 |
42 |
IEC |
100 |
112 |
71 |
80 |
90 S/L |
100 |
112 |
132 S/M |
X |
195 |
219 |
140 |
159 |
176 |
195 |
219 |
258 |
X1(B5) |
250 |
250 |
160 |
200 |
200 |
250 |
250 |
300 |
X2(B14) |
160 |
160 |
- |
120 |
140 |
160 |
160 |
200 |
Y |
314 |
328 |
220 |
238 |
255/280 |
314 |
328 |
368/410 |
Z1 |
160 |
172 |
121 |
138 |
149 |
160 |
172 |
192 |
L |
220 |
305 |
265/305 |
265 |
C |
13 |
15 |
C1 |
11 |
13 |
K |
8.5 |
9.5 |
C2 |
30 |
30 |
А |
165 |
195 |
Е |
195 |
221 |
V |
190 |
215 |
I |
44 |
50 |
А1 |
135 |
150 |
F |
173 |
195 |
d |
Ø11.5 |
Ø13.5 |
Н |
115 |
130 |
H1 |
198 |
222 |
H2 |
14 |
15 |
D |
130 |
Ø145 |
М |
М8х18 (8) |
М8х18 (8) |
В |
125 |
142 |
D1 |
Ø115 |
Ø130 |
Назад
MRD |
52/53 |
52/53 |
52/53 |
52/53 |
52/53 |
52/53 |
52 |
52 |
IEC |
80 |
90 S |
90 L |
100 |
112 |
132 S/M |
160 |
180 |
X |
159 |
176 |
176 |
195 |
219 |
258 |
310 |
320 |
X1(B5) |
200 |
200 |
200 |
250 |
250 |
300 |
350 |
350 |
X2(B14) |
- |
- |
- |
- |
- |
200 |
- |
- |
Y |
238 |
255 |
280 |
314 |
328 |
368/410 |
486 |
580 |
Z1 |
138 |
149 |
149 |
160 |
172 |
192 |
235 |
245 |
L |
322 |
353 |
C |
18 |
C1 |
14 |
C2 |
35 |
A |
205 |
E |
254 |
V |
284 |
I |
42 |
A1 |
170 |
F |
254 |
d |
Ø18 |
H |
140 |
H1 |
255 |
H2 |
20 |
D |
Ø190 |
M |
M10x25 (8) |
В |
180 |
D1 |
Ø130g6 |
Назад
MRD |
62/63 |
62/63 |
62/63 |
62/63 |
62/63 |
62/63 |
62 |
62 |
IEC |
80 |
90S |
90 L |
100 |
112 |
132 S/M |
160 |
180 |
X |
159 |
176 |
176 |
195 |
219 |
258 |
310 |
320 |
X1(B5) |
200 |
200 |
200 |
250 |
250 |
300 |
350 |
350 |
X2(B14) |
- |
- |
- |
- |
- |
200 |
- |
- |
Y |
238 |
255 |
280 |
314 |
328 |
368/410 |
486 |
580 |
Z1 |
138 |
149 |
149 |
160 |
172 |
192 |
235 |
245 |
L |
379 |
410 |
C |
18 |
C1 |
14 |
C2 |
40 |
A |
260 |
E |
305 |
V |
340 |
I |
42,5 |
A1 |
215 |
F |
300 |
d |
Ø18 |
H |
180 |
H1 |
302 |
H2 |
24 |
D |
Ø190 |
M |
M10x25 (8) |
В |
180 |
D1 |
Ø130g6 |
Назад
Фланцевое исполнение (B5)

MRD |
02/03 |
02/03 |
02/03 |
02 |
12/13 |
12/13 |
12/13 |
12 |
12 |
IEC |
56 |
63 |
71 |
80 |
56 |
63 |
71 |
80 |
90 S/L |
X |
110 |
123 |
140 |
159 |
110 |
123 |
140 |
159 |
176 |
Х1(В5) |
120 |
140 |
160 |
- |
120 |
140 |
160 |
200 |
200 |
Х2(В14) |
80 |
90 |
105 |
120 |
- |
90 |
105 |
120 |
140 |
Y |
168 |
185 |
220 |
238 |
168 |
185 |
220 |
238 |
255/280 |
Z1 |
108 |
110 |
121 |
138 |
103 |
110 |
121 |
138 |
149 |
L |
140/143 |
140 |
151/161 |
151 |
J |
3 |
К |
4.5 |
5 |
C2 |
20 |
18 |
А |
95 |
110 |
Е |
115 |
132 |
V |
100 |
140 |
I |
23 |
38 |
A1 |
80 |
110 |
F |
96 |
135 |
d |
Ø9 |
Н |
60 |
75 |
H1 |
111 |
131 |
Н2 |
6.5 |
8 |
D |
84 |
M |
М6х14 (7) |
B |
82 |
D1 |
Ø75 |
Назад
MRD |
23 |
22/23 |
22/23 |
22/23 |
22 |
22 |
32/33 |
32/33 |
32/33 |
IEC |
63 |
71 |
80 |
90 S/L |
100 |
112 |
71 |
80 |
90 S/L |
X |
123 |
140 |
159 |
176 |
195 |
219 |
140 |
159 |
176 |
X1(B5) |
140 |
160 |
200 |
200 |
250 |
250 |
160 |
200 |
200 |
X2(B14) |
- |
105 |
120 |
140 |
160 |
160 |
105 |
120 |
140 |
Y |
185 |
220 |
238 |
255/280 |
314 |
328 |
220 |
238 |
255/280 |
Z1 |
110 |
121 |
138 |
149 |
160 |
172 |
121 |
138 |
149 |
L |
208 |
190/208 |
190 |
220/253 |
J |
3 |
3.5 |
К |
6 |
8.5 |
C2 |
25 |
30 |
A |
130 |
165 |
E |
153 |
195 |
V |
155 |
190 |
I |
37 |
44 |
A1 |
110 |
135 |
F |
140 |
173 |
d |
Ø9 |
Ø11.5 |
H |
90 |
115 |
H1 |
158 |
198 |
H2 |
10 |
14 |
D |
108 |
130 |
M |
M6x10 (8) |
M8x18 (8) |
B |
102 |
125 |
D1 |
Ø95 |
Ø115 |
Назад
MRD |
32 |
32 |
43 |
42/43 |
42/43 |
42/43 |
42 |
42 |
IEC |
100 |
112 |
71 |
80 |
90 S/L |
100 |
112 |
132S/M |
X |
195 |
219 |
140 |
159 |
176 |
195 |
219 |
258 |
X1(B5) |
250 |
250 |
160 |
200 |
200 |
250 |
250 |
300 |
X2(B 14) |
160 |
160 |
- |
120 |
140 |
160 |
160 |
200 |
Y |
314 |
328 |
220 |
238 |
255/280 |
314 |
328 |
368/410 |
Z1 |
160 |
172 |
121 |
138 |
149 |
160 |
172 |
192 |
L |
220 |
305 |
265/305 |
265 |
J |
3.5 |
4 |
К |
8.5 |
9.5 |
C2 |
30 |
30 |
A |
165 |
195 |
E |
195 |
221 |
V |
190 |
215 |
I |
44 |
50 |
A1 |
135 |
150 |
F |
173 |
195 |
d |
Ø11.5 |
Ø13.5 |
H |
115 |
130 |
H1 |
198 |
222 |
H2 |
14 |
15 |
D |
130 |
Ø145 |
M |
M8x18 (8) |
M8x18 (8) |
В |
125 |
142 |
D1 |
Ø115 |
Ø130 |
Назад
MRD |
52/53 |
52/53 |
52/53 |
52/53 |
52/53 |
52/53 |
52 |
52 |
IEC |
80 |
90 S |
90 L |
100 |
112 |
132 S/M |
160 |
180 |
X |
159 |
176 |
176 |
195 |
219 |
258 |
310 |
320 |
X1(B5) |
200 |
200 |
200 |
250 |
250 |
300 |
350 |
350 |
X2(B14) |
- |
- |
- |
- |
- |
200 |
- |
- |
Y |
238 |
255 |
280 |
314 |
328 |
368/410 |
486 |
580 |
Z1 |
138 |
149 |
149 |
160 |
172 |
192 |
235 |
245 |
L |
322 |
353 |
J |
4 |
C2 |
35 |
A |
205 |
E |
254 |
V |
284 |
I |
42 |
A1 |
170 |
F |
254 |
d |
Ø18 |
H |
140 |
H1 |
255 |
H2 |
20 |
D |
Ø190 |
M |
M10x25(8) |
В |
180 |
D1 |
Ø130g6 |
Назад
MRD |
62/63 |
62/63 |
62/63 |
62/63 |
62/63 |
62/63 |
62 |
62 |
IEC |
80 |
90S |
90 L |
100 |
112 |
132 S/M |
160 |
180 |
X |
159 |
176 |
176 |
195 |
219 |
258 |
310 |
320 |
X1(B5) |
200 |
200 |
200 |
250 |
250 |
300 |
350 |
350 |
X2(B14) |
- |
- |
- |
- |
- |
200 |
- |
- |
Y |
238 |
255 |
280 |
314 |
328 |
368/410 |
486 |
580 |
Z1 |
138 |
149 |
149 |
160 |
172 |
192 |
235 |
245 |
L |
379 |
410 |
C |
18 |
C1 |
14 |
C2 |
40 |
A |
260 |
E |
305 |
V |
340 |
I |
42,5 |
A1 |
215 |
F |
300 |
d |
Ø18 |
H |
180 |
H1 |
302 |
H2 |
24 |
D |
Ø190 |
M |
M10x25 (8) |
В |
180 |
D1 |
Ø130g6 |
Размеры выходного вала

Размеры
Габарит |
|
S |
S1 |
S2 |
d |
d1 |
N1 |
t |
RD 02 / RD 03 |
AU17 |
35 |
25 |
5 |
Ø17h6 |
M6x16 |
5 |
19 |
AU20 |
40 |
30 |
5 |
Ø20h6 |
M6x16 |
6 |
22,5 |
RD 12 / RD 13 |
AU20 |
40 |
30 |
5 |
Ø20h6 |
M6x16 |
6 |
22,5 |
AU25 |
50 |
40 |
5 |
Ø25h6 |
M6x16 |
8 |
28 |
RD 22 / RD 23 |
AU25 |
50 |
40 |
5 |
Ø25h6 |
M6x16 |
8 |
28 |
AU30 |
60 |
40 |
10 |
Ø30h6 |
M10x22 |
8 |
33 |
RD 32 / RD 33 |
AU30 |
60 |
40 |
10 |
Ø30h6 |
M10x22 |
8 |
33 |
AU35 |
70 |
50 |
10 |
Ø35h6 |
M10x22 |
10 |
38 |
RD 42 / RD 43 |
AU35 |
70 |
50 |
10 |
Ø35h6 |
M10x22 |
10 |
38 |
AU40 |
80 |
60 |
10 |
Ø40h6 |
M12x28 |
12 |
43 |
RD 52 / RD 53 |
AU40 |
80 |
60 |
10 |
Ø40h6 |
M12x28 |
12 |
43 |
AU45 |
100 |
90 |
5 |
Ø50h6 |
M16x36 |
14 |
53,5 |
RD 62 / RD 63 |
AU45 |
100 |
90 |
5 |
Ø50h6 |
M16x36 |
14 |
53,5 |
AU50 |
120 |
110 |
5 |
Ø60h6 |
M20x42 |
18 |
64 |
Размеры выходного фланца (В5)

Размеры
Габарит |
|
D |
D1 |
D2 |
D3 |
R |
RD 02 / RD 03 |
DFU120 |
Ø120 |
Ø100 |
Ø90h7 |
Ø9 (4) |
100 |
DFU140 |
Ø140 |
Ø115 |
Ø95h7 |
Ø9 (4) |
115 |
DFU160 |
Ø160 |
Ø130 |
Ø110h7 |
Ø9 (4) |
130 |
RD 12 / RD 13 |
DFU120 |
Ø120 |
Ø100 |
Ø90h7 |
Ø9 (4) |
100 |
DFU140 |
Ø140 |
Ø115 |
095h7 |
Ø9 (4) |
115 |
DFU160 |
Ø160 |
Ø130 |
Ø110h7 |
Ø9 (4) |
130 |
RD 22 / RD 23 |
DFU140 |
Ø140 |
Ø115 |
Ø95h7 |
Ø9 (4) |
115 |
DFU160 |
Ø160 |
Ø130 |
Ø110h7 |
Ø9 (4) |
130 |
DFU200 |
Ø200 |
Ø165 |
Ø130h7 |
Ø11 (4) |
165 |
RD 32 / RD 33 |
DFU160 |
Ø160 |
Ø130 |
Ø110h7 |
Ø9 (4) |
135 |
DFU200 |
Ø200 |
Ø165 |
Ø130h7 |
Ø11 (4) |
165 |
DFU250 |
Ø250 |
Ø215 |
Ø180h7 |
Ø13(4) |
215 |
RD 42 / RD 43 |
DFU200 |
Ø200 |
Ø165 |
Ø130h7 |
Ø11 (4) |
165 |
DFU250 |
Ø250 |
Ø215 |
Ø180h7 |
Ø13,5 (4) |
215 |
DFU300 |
Ø300 |
Ø265 |
Ø230h7 |
Ø17 (4) |
265 |
RD 52 / RD 53 |
DFU250 |
Ø250 |
Ø215 |
Ø180h7 |
Ø13,5 (4) |
215 |
DFU300 |
Ø300 |
Ø265 |
Ø230h7 |
Ø17 (4) |
265 |
DFU350 |
Ø350 |
Ø300 |
Ø250h7 |
Ø17,5 (4) |
300 |
RD 62 / RD 63 |
DFU250 |
Ø250 |
Ø215 |
Ø180h7 |
Ø13,5 (4) |
215 |
DFU300 |
Ø300 |
Ø265 |
Ø230h7 |
Ø17 (4) |
265 |
DFU350 |
Ø350 |
Ø300 |
Ø250h7 |
Ø17,5 (4) |
300 |
Назад
Монтажные положения

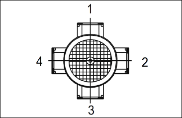
Положение клемной коробки эл.двигателя

Выходные обороты и мощность электродвигателей (кВт)
Назад
|
| |
|
| ©
2014 Редукторы, мотор-редукторы, устройства плавного пуска, преобразователи частоты |
|
|