
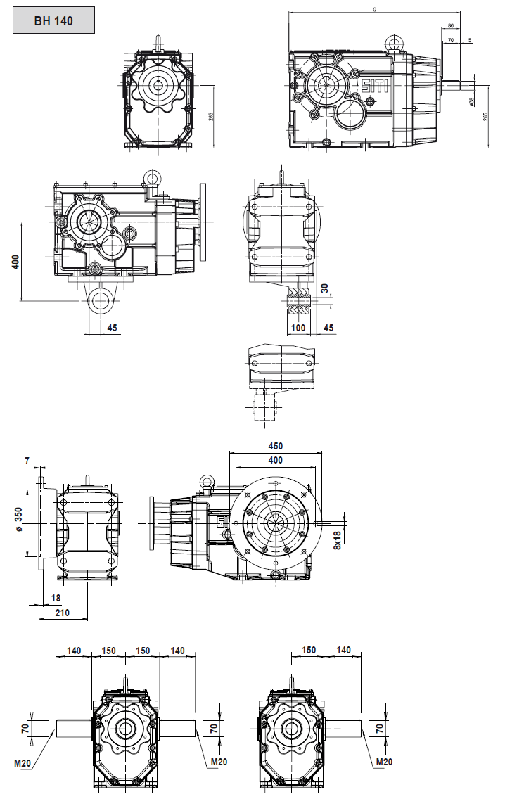
Габаритно-присоединительные размеры MBH 140 |
| |


|
А |
G |
ВН 140 |
|
728,5 |
МВН140 РАМ 100 |
170 |
669,5 |
МВН140 РАМ 112 |
170 |
669,5 |
МВН140 РАМ 132 |
170 |
669,5 |
МВН140 РАМ 160 |
170 |
669,5 |
MBHGC140 GR.100 |
211 |
710,5 |
MBHGC140 GR.112 |
211 |
710,5 |
MBHGC140 GR.132 |
211 |
710,5 |
MBHGC140 GR.160 |
270 |
769,5 |
MBHGC140 GR.180 |
270 |
769,5 |
MBHGC140 GR.200 |
270 |
769,5 |
i |
MBH |
MBHGC |
100 |
112 |
132 |
160 |
100 |
112 |
132 |
160 |
180 |
200 |
7,64 |
|
|
|
|
|
|
|
|
|
|
9,35 |
|
|
|
|
|
|
|
|
|
|
10.93 |
|
|
|
|
|
|
|
|
|
|
12.09 |
|
|
|
|
|
|
|
|
|
|
14.79 |
|
|
|
|
|
|
|
|
|
|
17.28 |
|
|
|
|
|
|
|
|
|
|
19.24 |
|
|
|
|
|
|
|
|
|
|
20.96 |
|
|
|
|
|
|
|
|
|
|
22.77 |
|
|
|
|
|
|
|
|
|
|
25.64 |
|
|
|
|
|
|
|
|
|
|
31.01 |
|
|
|
|
|
|
|
|
|
|
33.36 |
|
|
|
|
|
|
|
|
|
|
35.58 |
|
|
|
|
|
|
|
|
|
|
41.30 |
|
|
|
|
|
|
|
|
|
|
48.65 |
|
|
|
|
|
|
|
|
|
|
64.70 |
|
|
|
|
|
|
|
|
|
|
81.33 |
|
|
|
|
|
|
|
|
|
|
101,33 |
|
|
|
|
|
|
|
|
|
|
125,12 |
|
|
|
|
|
|
|
|
|
|
140,98 |
|
|
|
|
|
|
|
|
|
|
162,12 |
|
|
|
|
|
|
|
|
|
|
182,10 |
|
|
|
|
|
|
|
|
|
|

|
| |