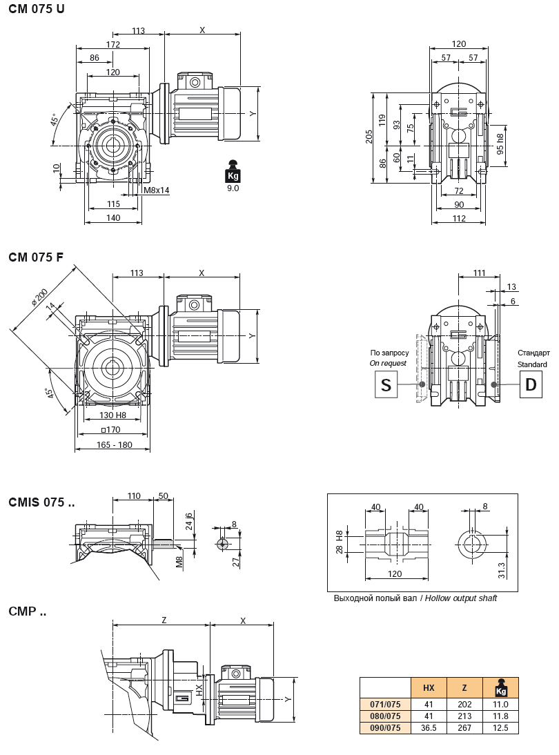
Компактный червячный мотор-редуктор CM075 червячного типа. Производство Италия TRANSTECNO

 

Редукторы CM075 производятся в Италии. Они имеют компактные размеры и бесшумны в работе. Высокое качество обработки червячного колеса позволит безотказно служить редуктору долгие годы. Выходной вал мотор-редуктора CM075 полый диаметром 28 мм.

Назад

Компактный червячный мотор-редуктор CM075

Назад

 
© 2014 Редукторы, мотор-редукторы, устройства плавного пуска, преобразователи частоты